ايران ويج

نسخه‌ی کامل: درخواست کمک برای اتصال pic18f4550به usb
شما در حال مشاهده‌ی نسخه‌ی متنی این صفحه می‌باشید. مشاهده‌ی نسخه‌ی کامل با قالب بندی مناسب.
صفحه‌ها: 1 2 3
سلام دوستان
من می خواستم از ویژگی pic18f4550 که امکان اتصال مستقیم به usb داره ،استفاده کنم.
برا همین چند روزه که دنبال روش این کار تو اینترنت هستم.
فهمیدم که به دو روش میشه CDC ,HID

برا روش (HID (human interface device ی مدار ساده داره
[تصویر:  b.200.150.16777215.0.stories.PIC.18f4550..._basic.png]

و با استفاده از نرم افزارMCHPFSUSBv1.3 که تو سایت زیر کامل توضیح داده
http://eegeek.net/content/view/13/32/

حالا وقتی که مدار رو می بندم و به pc وصل می کنم ،پیغام unknow device رو میده
میخوام ببینم که مشکل از کجاست؟
من دقیقا نمی دونم درایو برا این میکرو رو چطوری رو کامپیوتر فعال کنم؟
(البته ویندوز من سون هس)
میخواستم ببینم اگه کسی کار مشابه این رو کرده(به روش دیگه یا همین روش) منو راهنمایی کنه.

ممنون
سلام.

من اين كار رو نكردم و با PIC هم كار نكردم ، اما وقتي از HID استفاده مي كني ، يعني سيستم عامل خودش ميكرو رو مي شناسه و احتياجي به نصب درايور نيست ( مثل كيبرد و ماوس )

منظورتون از درايو ، همون درايور بوده ديگه ؟!
در 7 , ... نمي دونم ، اما يه چيزايي به چشم خورده ( تو help بسكام ) بايد يه سري فايل .DLL درست كني فكر كنم ...
اينا رو گفتم كه شايد بدردت بخوره ،‌اطلاعاتم بيشتر از اين نيست !

موفق باشي.
يا علي.
زیاد اطلاع ندارم ولی

درایور ها اصولا 2 نوع اند
user mode
kernel mode

که کرنل مد، کار باهاش سخته و در صورت بروز اشکال کل سیستم تحت تاثیر قرار میگیره

اما یوزر مد، این طور نیست.

برای نوشتن درایور از WDF استفاده میکنند که زبان برنامه نویسیش C یا C++ هستش.

خیلی دوست دارم یاد بگیرم برا همین این لینک ها رو به شما هم توصیه میکنم:

http://www.osronline.com/article.cfm?article=20#Q3
http://msdn.microsoft.com/en-us/windows/...e/gg463318
http://msdn.microsoft.com/en-us/library/...85%29.aspx
http://osrfx2.sourceforge.net/

فقط برای یادگیری خیلی وقت و حوصله میخواد.

موفق باشید
خود سایت میکروچیپ یه سری راهنما برای این کار داره و مثال
ظاهرا اگه براساس مدار خودشون باشه می تونی از بوت لودر که روی آی سی هست استفاده کنی و بدون نیاز به پروگرام کردن میکرو رو به کامپیوتر بشناسونی و از همون طریق پروگرام کنی
سلام ممنون از راهنمای دوستان
خود microchip برا این کار ی نرم افزار(MCHFSSPUSB )معرفی کرده که یک فایل هگز داره که باید تو میکرو به عنوان firmware پروگرم بشه و یک فایل درایور که باید تو control panel و add new hardware فعال بشه

مراحل این کار

مشکل من اینه که درایور کار نمیده
راستش منم وقت نوشتن درایور رو ندارم(بلد نیستمBiggrin)
حالا سوال من اینه که اگه دایور برا xp باشه توی 7 هم جواب میده؟
و کسی درایور مشابه برا این کار می تونه بهم معرفی کنه؟
یا اصلا روش دیگه برا این کار بهم معرفی کنید
ممنون
من یدونه 18f2550 داشتم بدون اینکه پروگرامش کنم زدم به کامپیوتر شناختش بعد با PICDEM FS پروگرامش کردم ظاهرا زیر مجموعه همون MCHFSPUSB که می گی
جالبیش اینجاست که فریمورک روی خود میکرو به صورت پیش فرض بود
اگه کامپیوتر نمی شناستش بیشتر مواقع مشکل سخت افزاریه یعنی بعد لحیم کردی روغن لحیم زیاد داری روی برد و ...


من از 18f4550 استفاده میکنم
من بیخیال روش قبلی که توضیح دادم شدم و رفتم از روش دیگه که با استفاده از HID terminal توی نرم افزار mikroC استفاده کردم و discriptor تعریف کردم بعد با mikroC ی برنامه نوشتم و پروگرم کردم(mikroC کتابخونه برا usb داره که میتونی اطلاعات رو با اون روی usb بفرستی یا بخوانی) بعدbit configuration رو به دقت انجام دادم
کلا سرتو درد نیارم از کتابی که تو این لینک امده (فصل مربوط به usb )استفاده کردم و کتاب خوبیه *پیشنهاد میکنم با cd دانلود کنید
Advanced PIC Microcontroller Projects in C

بعد این همه کار وقتی میزنم به پورت کامپیوتر اصلا جواب نمیده!!!!!

حالا شما که میگید
من یدونه 18f2550 داشتم بدون اینکه پروگرامش کنم زدم به کامپیوتر شناختش[/quote]
چه طوری با کامپیوتر وصل کردید یعنی مدار برا میکرو چی بوده خواهشا توضیح بدید
ممنون
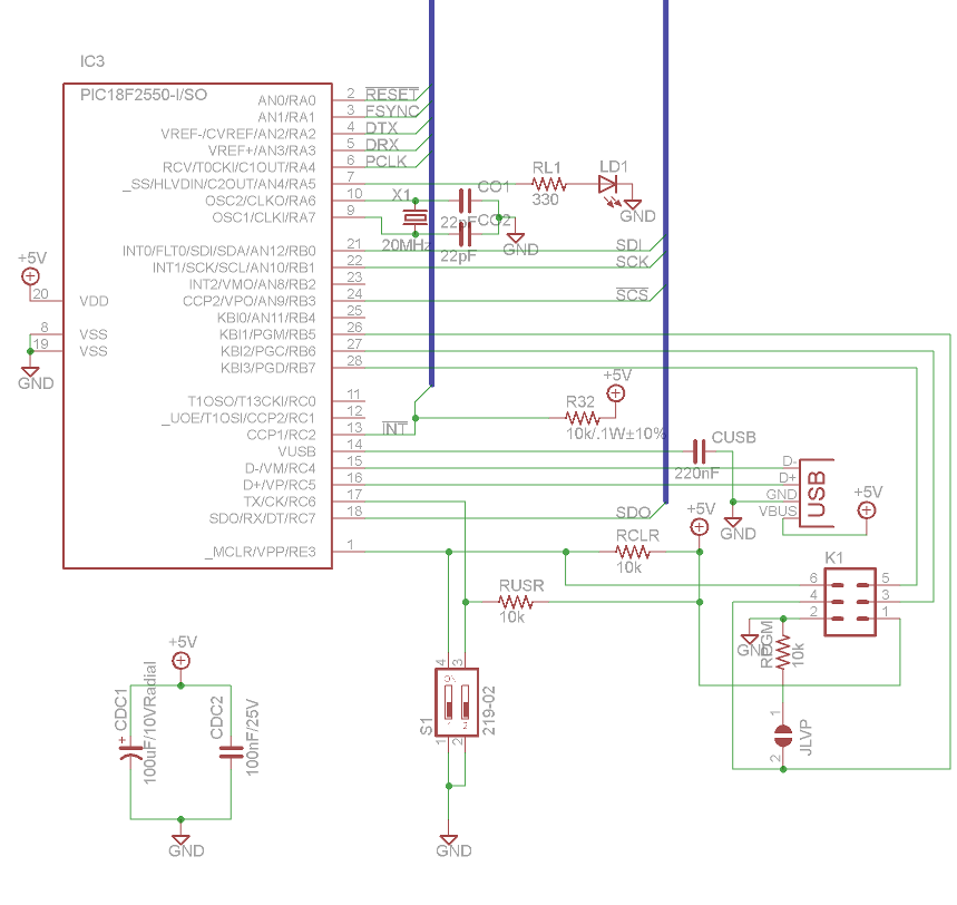
این نقشه ایه که من بستم
البته برنامه رو خودم ننوشتم بنابراین خیلی تجربه ای توش ندارم
[attachment=6657]
تنها کاری که من کردم روشن کردم سوییچ s2 بود و اون LED شروع کرد به چشمک زدن همین
برداشت من این بود که میکرو از قبل توسط کارخونه پروگرام شده بود
و اما pdiusbd12 رو خیلی وقت پیش باهاش کار کردم
یکم اذیت کرد
من یه برنامه پرت سریال نوشته بودم که ایونت ها رو برام ارسال می کرد یعنی می فهمیدم USB در چه وضعیتیه ولی یادم یکی از اتفاقاتی که باید بیفته نمی افتاد و من هم ولش کرد
بعدها به این نتیجه رسیدم که به خاطر همین برنامه ای بود که برای ارسال داده روی پرت سریال نوشته بودم
یعنی زمان می برد تا میکرو جواب USB رو بده (چون داشت اطلاعات رو سریال ارسال می کرد) و به همین خاطر درست کار نمی کرد
در کل PDI رو پیشنهاد نمی کنم اون موقع که هیچ چیز به درد بخوری نداشت
مرافب باش گیر نوشتن درایور هم نیفتی که از همه اینها بد تر Biggrin فکر کنم همین فریم ورک PIC بد نباشه
به احتمال قوی مشکل سخت افزاری داری درست نبودن سیم ها نویز گرفتن یا ...
ممنون از جواب کاملتون آقا حامد

روش فریم ورک pic ی دو هفته ای وقتم رو گرفت آخرشم جواب نمیده
من سه تا گزینه برام مونده ft245r ,pdiusbd12 ,cypress
pdiusbd12 که به گفته خودتون کار باهاش مشکله.
ft245r هم به گفته دوستان مشکل سخت افزاری داره و باگ میده.

حالا می خواستم نظرتون رو درباره ای سی مال cypress بدونم
مدل خاصی از این شرکت نمیدونم فقط توی فروم ها پیشنهاد شده
ی مدل پیدا کردم که اونم میکروس(cy7c68013) با 100 پایه حالا نمیدونم مناسب هست یا مدل دیگه برا کار من از این شرکتم هست!!

اگه لطف کنید نظرتونو بدید ممنون میشم
برای pdiusbd12 اون موقع مثال زیاد بود الان باید بهتر باشه
cypress هم اگه اشتباه نکنم برای ۸۰۵۱ usb راه انداخته بود ولی جون تو ایران نبود من باهاش کار نکردم
ولی باز نظر من روی pic شما همین نقشه رو با یه PIC‌ پروگرام نشده ببند ببین چه اتفاقی می افته
PDI هم جواب می ده منو یکم اذیت کرد Biggrin
و دوباره می گم سیم کشی ها و نحوه بستنش خیلی مهم ها! یه عکس از چیزی که بستی می تونی بزاری؟
راستی منم هادیم نه حامد Biggrin
سلام
شما جای پایه های +D و -D رو جابجا کنید، درست میشه، تو نقشه های help میکرو الکترونیکا اینارو بر عکس کشیده.
صفحه‌ها: 1 2 3