کانال تلگرام انجمن @iranledcom
|
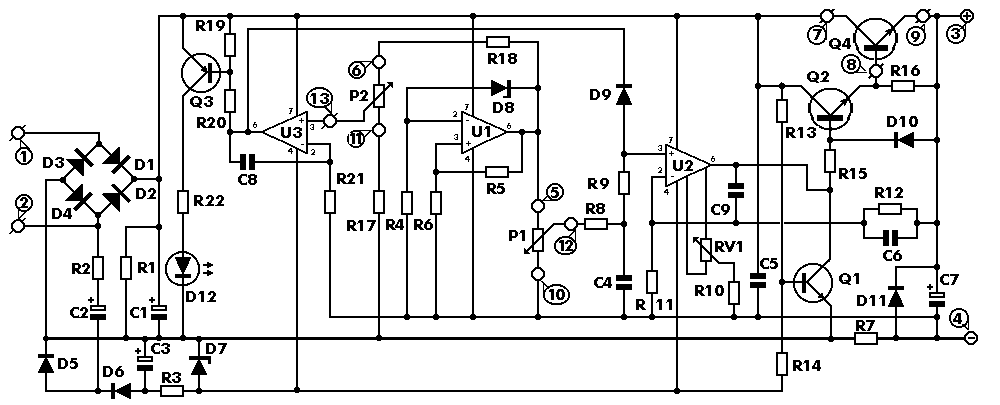
منبع تغذیه متغییر
|
|
| نویسنده | پیام |
Okami
تازه وارد ارسالها: 3 موضوعها: 1 تاریخ عضویت: مهر ۱۳۸۷ تشکرها : 0 ( 0 تشکر در 0 ارسال ) |
|
||
| ۲۱-مهر-۱۳۸۷, ۲۳:۳۸:۰۸ |
|
t3r!p3000
![]() ![]() ![]() ![]() ![]() ارسالها: 5,050 موضوعها: 83 تاریخ عضویت: اردیبهشت ۱۳۸۵ تشکرها : 34447 ( 17423 تشکر در 5116 ارسال ) |
|
||
| ۲۲-مهر-۱۳۸۷, ۰۰:۳۴:۳۶ |
|
Okami
تازه وارد ارسالها: 3 موضوعها: 1 تاریخ عضویت: مهر ۱۳۸۷ تشکرها : 0 ( 0 تشکر در 0 ارسال ) |
|
||
| ۲۳-مهر-۱۳۸۷, ۰۰:۲۰:۱۷ |
|
Okami
تازه وارد ارسالها: 3 موضوعها: 1 تاریخ عضویت: مهر ۱۳۸۷ تشکرها : 0 ( 0 تشکر در 0 ارسال ) |
|
||
| ۲۵-مهر-۱۳۸۷, ۲۱:۴۰:۰۳ |
|
|
|
| موضوعات مرتبط با این موضوع... | |||||
| موضوع | نویسنده | پاسخ | بازدید | آخرین ارسال | |
| [سوال] ساخت منبع تغذیه با avr | xxabasxx | 3 | 3,463 |
۰۴-آذر-۱۳۹۵, ۰۱:۱۴:۳۷ آخرین ارسال: helma |
|
| [سوال] منبع تغذیه sim900a | ghostrider | 1 | 2,117 |
۰۵-اسفند-۱۳۹۴, ۱۱:۴۶:۳۹ آخرین ارسال: sharin |
|
| [سوال] مشکل در تغذیه تابلو روان | sajjad12 | 3 | 3,011 |
۲۰-مهر-۱۳۹۴, ۱۰:۱۰:۳۲ آخرین ارسال: ha_60 |
|
| [سوال] سوال در مورد تغذیه میکرو | biner | 6 | 4,473 |
۰۶-دى-۱۳۹۳, ۱۸:۴۴:۲۲ آخرین ارسال: a.mehran |
|
| راهنمایی برای انتخاب منبع مناسب | sinastar | 8 | 5,395 |
۲۷-فروردین-۱۳۹۳, ۱۱:۲۹:۱۱ آخرین ارسال: sinastar |
|
| تغذیه sim900 با lm317 | farshad1195 | 2 | 3,795 |
۱۲-بهمن-۱۳۹۲, ۱۸:۵۹:۳۰ آخرین ارسال: fsokhanvar |
|
| سوال در مورد نحوه اتصالات avr به منبع تغذیه | lilbibi | 2 | 5,326 |
۲۰-مرداد-۱۳۹۲, ۲۱:۵۴:۰۲ آخرین ارسال: lilbibi |
|
|
|
[سوال] طراحی منبع تغذیه دقیق برای میکرو | arash67 | 11 | 12,372 |
۲۳-دى-۱۳۹۱, ۱۶:۳۷:۲۰ آخرین ارسال: behrooz.shie |
| تعریف متغییر به صورت خاص! | behzady | 6 | 5,156 |
۱۶-دى-۱۳۹۱, ۱۸:۴۵:۱۲ آخرین ارسال: behzady |
|
| اتصال MMC به AVR با تغذیه 5 ولت | IMeysam | 21 | 14,465 |
۲۵-شهریور-۱۳۹۰, ۲۳:۳۸:۰۴ آخرین ارسال: sharin |
|
کاربرانِ درحال بازدید از این موضوع: 1 مهمان

صفحه اصلی
انجمن
جستجو
فهرست اعضا
افزونه های فایرفاکس
»
تشکر شده توسط :