کانال تلگرام انجمن @iranledcom
|
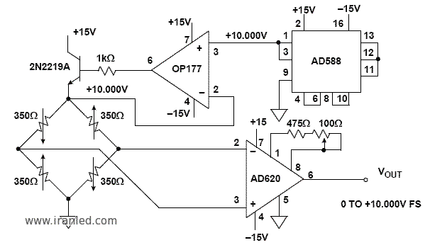
ترازوی دیجیتال
|
|
| نویسنده | پیام |
ha_60
بنيانگذار سايت ![]() ![]() ![]() ![]() ![]() ![]() ارسالها: 4,637 موضوعها: 216 تاریخ عضویت: آبان ۱۳۸۳ تشکرها : 560 ( 6556 تشکر در 2385 ارسال ) |
|
||
| ۱۳-بهمن-۱۳۸۵, ۰۱:۵۸:۱۶ |
| ||
تشکر شده توسط : |
HoseinVig, TolooSoft, t3r!p3000 |
|
|
کاربرانِ درحال بازدید از این موضوع: 1 مهمان

صفحه اصلی
انجمن
جستجو
فهرست اعضا
افزونه های فایرفاکس
»

تشکر شده توسط :