امتیاز موضوع:
  • 0 رأی - میانگین امتیازات: 0
  • 1
  • 2
  • 3
  • 4
  • 5
14 -سگمنت
نویسنده پیام
PRO غایب
كاربر دو ستاره
**

ارسال‌ها: 92
موضوع‌ها: 1
تاریخ عضویت: خرداد ۱۳۹۱

تشکرها : 1061
( 400 تشکر در 136 ارسال )
ارسال: #1
Question  14 -سگمنت
سلام .من تازه كار با ميكرو را شروع كرده‌ام.اميدوارم با 14-سگمنت led يعني همون (fourteen segment LED) آشنا باشيد.شكلش رو اينجا گذاشتم:
   
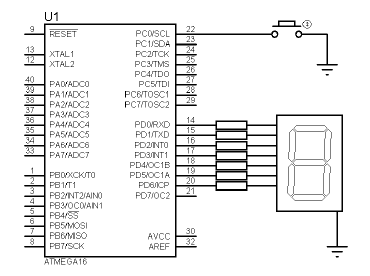
حالا مي خوام بدونم كه آخه چطور ميشه با يه ميكروي ATMEGA32A چندتا از اينا رو روشن كرد؟براي سون سگمنت هم مدار زير هست كه با يه ميكروي ATMEGA16A كار ميكنه ولي فكر نكنم بتونه بشتر از 3 تا سون سگمنت رو روشن كنه:

.bmp   seven segment.bmp (اندازه: 299.77 KB / تعداد دفعات دریافت: 75)
حالا سوالم اينه كه چطوري ميشه با كد ويژن برنامه اي نوشت كه بشه 5 تا از اين ها(14 يا 7 سگمنت) رو باهم روشن كرد.اونم فقط با يه ATMEGA32A.
در ضمن از اين 14 سگمنت ها تو ايران گير مي آيد؟
ممنونم.

غریق دریای تکنولوژی  :lol:
(آخرین ویرایش در این ارسال: ۲۴-خرداد-۱۳۹۱, ۱۶:۰۳:۳۰، توسط PRO.)
۲۴-خرداد-۱۳۹۱, ۱۵:۴۸:۴۸
ارسال‌ها
پاسخ
sharin آفلاین
مدیر بازنشسته
*****

ارسال‌ها: 2,053
موضوع‌ها: 28
تاریخ عضویت: مرداد ۱۳۸۹

تشکرها : 3714
( 8171 تشکر در 2772 ارسال )
ارسال: #2
RE: 14 -سگمنت
سلام.

اگر بخوايد 7seg هاي تكي رو به حالت استاتيك روشن كنيد ، كه 4 تاش رو مي تونيد با 4 پورت 8 بيتي اين ميكرو ها روشن كنيد.
البته IC 7447 اگر اشتباه نكنم ، مي تونه پايه هاي درگير رو كمتر كنه و به همين سبب تعداد 7seg ها افزايش پيدا كنه ...

روش ديگه روش رفرش هست. اگر 7seg هاي 2 تايي يا 4 تايي مالتي پلكس شده رو ديده باشيد ، به تعداد كمتري پايه براي راه اندازي نياز دارن ( سرچ كنيد تو فروم ، قبلا توضيح دادم ).
اگر از همين تكي ها مي خوايد استفاده كنيد ، اونها رو هم مي شه دستي به روش رفرش راه بندازيد كه باز به تعداد پايه هاي كمتري نياز دارهه ( چون 8 خط ديتاشون اشون مشترك مي شه ).

اون مدل ديگه رو هم كه گفتيد ، اگر باشه مي شه راه انداخت مثل همون معمولي ها ( فقط تعداد پايه هاشون بيشترهه )...
كمي سرچ بزنيد ...

موفق باشيد.

(آخرین ویرایش در این ارسال: ۲۴-خرداد-۱۳۹۱, ۱۶:۲۸:۴۲، توسط sharin.)
۲۴-خرداد-۱۳۹۱, ۱۶:۲۷:۳۰
وب سایت ارسال‌ها
پاسخ
تشکر شده توسط : PRO
PRO غایب
كاربر دو ستاره
**

ارسال‌ها: 92
موضوع‌ها: 1
تاریخ عضویت: خرداد ۱۳۹۱

تشکرها : 1061
( 400 تشکر در 136 ارسال )
ارسال: #3
RE: 14 -سگمنت
(۲۴-خرداد-۱۳۹۱, ۱۶:۲۷:۳۰)sharin نوشته است: سلام.

اگر بخوايد 7seg هاي تكي رو به حالت استاتيك روشن كنيد ، كه 4 تاش رو مي تونيد با 4 پورت 8 بيتي اين ميكرو ها روشن كنيد.
البته IC 7447 اگر اشتباه نكنم ، مي تونه پايه هاي درگير رو كمتر كنه و به همين سبب تعداد 7seg ها افزايش پيدا كنه ...

روش ديگه روش رفرش هست. اگر 7seg هاي 2 تايي يا 4 تايي مالتي پلكس شده رو ديده باشيد ، به تعداد كمتري پايه براي راه اندازي نياز دارن ( سرچ كنيد تو فروم ، قبلا توضيح دادم ).
اگر از همين تكي ها مي خوايد استفاده كنيد ، اونها رو هم مي شه دستي به روش رفرش راه بندازيد كه باز به تعداد پايه هاي كمتري نياز دارهه ( چون 8 خط ديتاشون اشون مشترك مي شه ).

اون مدل ديگه رو هم كه گفتيد ، اگر باشه مي شه راه انداخت مثل همون معمولي ها ( فقط تعداد پايه هاشون بيشترهه )...
كمي سرچ بزنيد ...

موفق باشيد.
سلام sharin عزيز.حالت استاتيك يعني چي؟
فورتين سگمنتا كه 14 تا پايه داره ولي ATMEGA32A هر پورتش فقط 8 تا پين داره.مي‌شه چهار تا شون رو با چهار تا پورت A B C D روشنشون كرد؟
حالا از اين فورتين سگمنتا گير مي‌آد يا تو ايران نيست؟سرچ كردم نبود.شما تا حالا ديدين؟

غریق دریای تکنولوژی  :lol:
۲۴-خرداد-۱۳۹۱, ۱۶:۵۴:۵۵
ارسال‌ها
پاسخ
sharin آفلاین
مدیر بازنشسته
*****

ارسال‌ها: 2,053
موضوع‌ها: 28
تاریخ عضویت: مرداد ۱۳۸۹

تشکرها : 3714
( 8171 تشکر در 2772 ارسال )
ارسال: #4
RE: 14 -سگمنت
يعني ثابت ، مثل همون شماتيكي كه گذاشتي ...
هيچ اجباري نيست كه همه ي پايه ها به يك پورت بخورن. البته برنامه نويسي رو كمي سخت تر مي كنه ...
من تا حالا نديدم ، البته دنبالش هم نبودم.

موفق باشيد.

۲۴-خرداد-۱۳۹۱, ۱۷:۰۱:۲۰
وب سایت ارسال‌ها
پاسخ
تشکر شده توسط : PRO
PRO غایب
كاربر دو ستاره
**

ارسال‌ها: 92
موضوع‌ها: 1
تاریخ عضویت: خرداد ۱۳۹۱

تشکرها : 1061
( 400 تشکر در 136 ارسال )
ارسال: #5
RE: 14 -سگمنت
(۲۴-خرداد-۱۳۹۱, ۱۷:۰۱:۲۰)sharin نوشته است: يعني ثابت ، مثل همون شماتيكي كه گذاشتي ...
هيچ اجباري نيست كه همه ي پايه ها به يك پورت بخورن. البته برنامه نويسي رو كمي سخت تر مي كنه ...
من تا حالا نديدم ، البته دنبالش هم نبودم.

موفق باشيد.

ممنونم .من فعلا" برم يه ذره سرچ كنم و چيز ياد بگيرم.بعدا" بقيه سوالهام در اين مورد رو مي‌پرسم.ClapHappy

غریق دریای تکنولوژی  :lol:
۲۴-خرداد-۱۳۹۱, ۱۷:۰۶:۱۸
ارسال‌ها
پاسخ


موضوعات مرتبط با این موضوع...
موضوع نویسنده پاسخ بازدید آخرین ارسال
  تبدیل اعداد نشون داده شده روی سون سگمنت به عدد saeedsmk 2 1,761 ۰۶-اردیبهشت-۱۳۹۷, ۲۱:۵۹:۳۵
آخرین ارسال: 1نفر
Sad [سوال] شمارنده ی دورقمی با سون سگمنت cloner006 4 3,847 ۳۰-دى-۱۳۹۴, ۰۴:۲۴:۱۰
آخرین ارسال: omid_phoenix
  [سوال] شمارش معکوس سه رقمی سون سگمنت مالتی پلکس amiri630 0 2,853 ۱۷-آبان-۱۳۹۴, ۱۵:۳۶:۰۶
آخرین ارسال: amiri630
  کمک در مورد نمایش کلمه روی سون سگمنت سه تایی اند مشترک amiri630 1 2,751 ۱۶-آبان-۱۳۹۴, ۱۰:۱۲:۲۴
آخرین ارسال: hadikh73
  شمارنده دو رقمی با سون سگمنت زبان C و AVR hosseinip 12 15,488 ۲۳-اردیبهشت-۱۳۹۴, ۱۱:۰۹:۲۶
آخرین ارسال: hosseinip
Shy ولت سنج 5 ولت با سون سگمنت kamran0080 37 24,567 ۲۵-بهمن-۱۳۹۳, ۰۰:۵۶:۴۶
آخرین ارسال: omid_phoenix
  ولتمتر با سون سگمنت 4تایی svb93 2 2,681 ۲۵-اردیبهشت-۱۳۹۳, ۱۳:۵۵:۰۱
آخرین ارسال: aKaReZa75
  سون سگمنت دو رقمي با كليد puria.69 1 2,259 ۱۸-بهمن-۱۳۹۲, ۱۱:۴۰:۲۷
آخرین ارسال: Ambassador
  تایمر با سون سگمنت و mega32 xubin 11 11,507 ۲۷-دى-۱۳۹۲, ۱۸:۲۰:۵۹
آخرین ارسال: xubin
  سون سگمنت دو رقمی با ای وی آر fa.chiani 7 8,128 ۲۷-دى-۱۳۹۲, ۰۲:۴۷:۰۵
آخرین ارسال: ترانسپورتر

پرش به انجمن:


کاربرانِ درحال بازدید از این موضوع: 1 مهمان

صفحه‌ی تماس | IranVig | بازگشت به بالا | | بایگانی | پیوند سایتی RSS